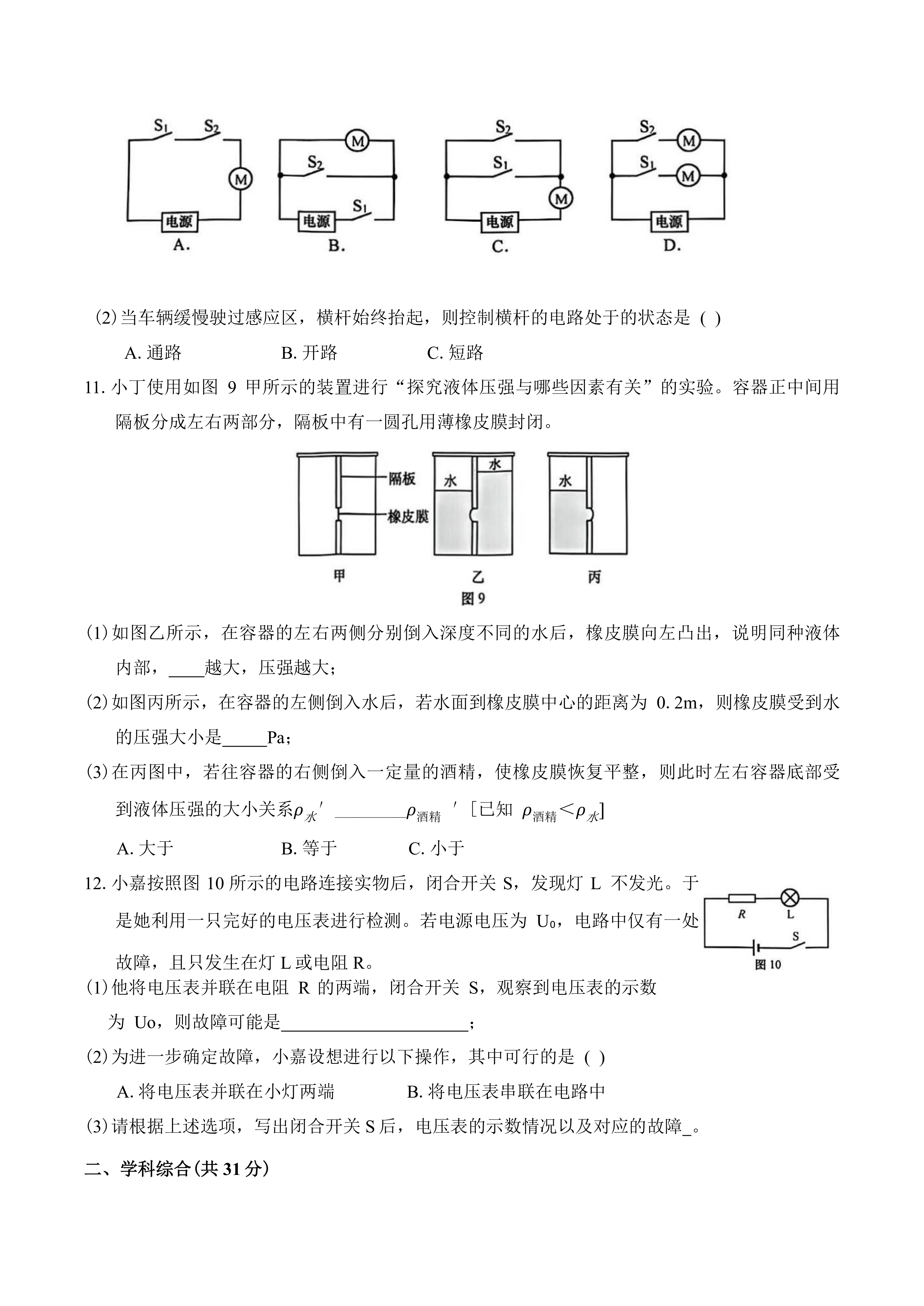
上海市杨浦区2026届九年级中考一模物理试题(含答案) 时间:2026-04-03 热度:°C 加入收藏 我要投稿 点赞() 杨浦区2026wuli 上一篇:浙江省初中名校共同体2026年中考一模数学试题(3月) 下一篇:返回列表